UWM 高精度智能超声波水表,采取时差法对流量进行测量,水表被测管道内无任何运动、阻流部件,无磨损,压力损失小,量程比最高可达R800,流动剖面敏感度等级可达U0/D0,无安装前后直管段要求。
性能特点
优势说明
■ 低始动流量25l/h,R500批量生产倍率,适用于在大小流量均需要精确计量的场合,特别适合于区域供水分析;
■ 流场敏感度等级U0/D0,无前后安装直管段要求;
■ 10年电池工作寿命,IP68防水等级;
■ 压损低△P25,能源利用效率高不锈钢系列,壳体整体焊接结构,坚固可靠。搭配不锈钢保护盖,外观精美大气。
特性
■ 计量通道为圆孔结构设计,测量稳定性高,压力损失小;
■ 球墨铸铁、不锈钢壳体可选;
■ IP68防护等级,可长期浸水工作,抗干扰能力强;
■ 不锈钢钢罩设计,防止踩踏或冲击破坏;
■ 壳体出水口端上方设计了取压口结构,具备压力数据采集功能;
■ 具有高低温自动补偿功能;
■ 具备正反向高精度计量能力;
■ 宽大LCD液晶屏显示:正反向流量、流向、流速、累计流量、瞬时流量、单位、泄漏检测、空管检测、低电量报警、外部供电显示等采用欧洲成熟的NFC近场通讯技术,内嵌NFC近场通讯电路板,与好博体育SR-NB远程数据监控终端进行连接,实现NB-loT数据通讯可搭载好博体育新型NDC电子模块,实现脉冲输出、wM-Bus、LoRa远传;
■ 电池供电,微功耗设计,可持续工作10年以上MID认证、欧盟饮用水认证KTW、美国饮用水卫生认证NSF-61。
技术参数

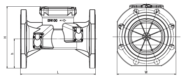
外形尺寸

在线询价