性能特点
● 流量范围宽
流量范围(Qmax/Qmin=20:1),重复性好,准确度等级高(可达1.0级),压力损失小,始动流量低。
● 采用一体化设计
采用一体化前导流体:能消除流体扰动,整流效果显著,而且压损极小,对流量计的前后直管段安装要求低(前直管段为≥2DN,后直管段≥1DN)。
● 抗磁攻击能力强
磁耦合设计有屏蔽环,可防强磁攻击。
● 独特的润滑系统
采用轴向润滑油道,O形圈采用轴向压紧,密封效果不受管道应力影响。
● 采用模块化设计
采用抽取式独立表芯组件设计(一个口径可提供三种流量规格S、M、L),结构紧凑,安装、维护方便,不受管道应力影响;模块化的机械计数器表头组件,具有强大的齿轮调节能力(近五万组调整齿轮,调整精度控制在0.1%以内),调节精度极高。
● 多种结构型式
a、基本型:带机械计数器,显示工况累积体积流量,带低频脉冲发生器。
b、智能型:配置体积修正仪,具有温度、压力补偿、无线远传、IC卡等功能。
技术参数

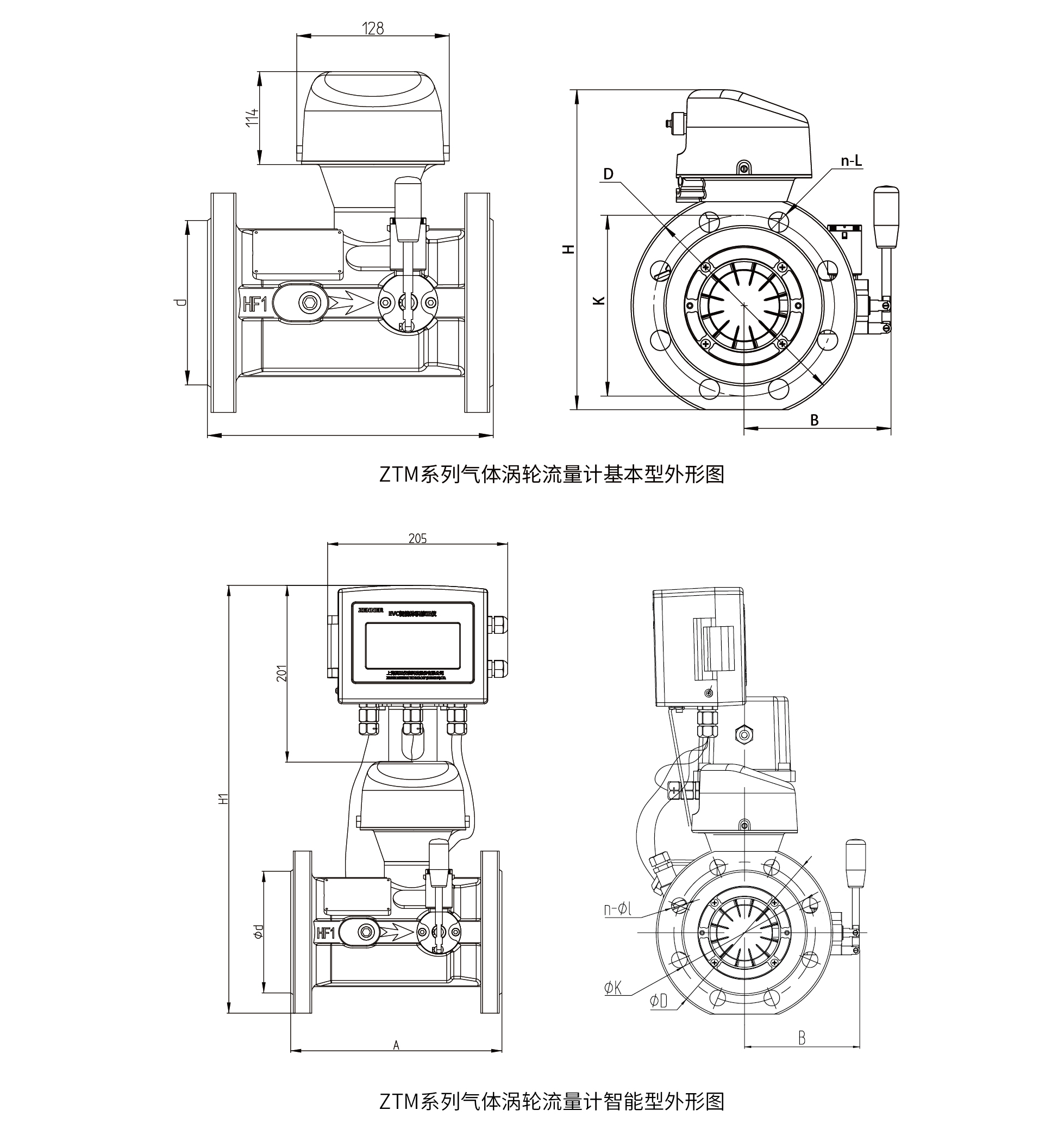
外形尺寸



在线询价